
가격알림표
Die Lifter 길이(L) | 가격 |
---|---|
500L | 400,000원 |
700L | 450,000원 |
800L | 480,000원 |
900L | 500,000원 |
1000L | 530,000원 |
1200L | 580,000원 |
호칭방법
HL50 ① - ② - A
①Die Litter의 전장 : L(mm) |
---|
300~3400 |
치수는 표를 참고하십시오. |
②Nipple의 길이 : L(mm) | |
---|---|
l | l=B+25 |
무기호 | 불요시 |
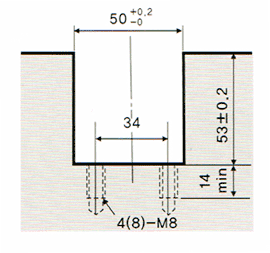
형상 및 치수

금형 Lifter U홈 치수

사양
유압 실린더 | |
---|---|
내압 | 375kgf/cm |
최고사용압력 | 250kgf/cm |
사용온도범위 | 5~60°C |
사용유 | 일반유압작용유 |
특징
- SLY NON-TOUCH CLAMP는 AIR CYLINDER에 의해 T-SLOT상에서 짧은 거리를 이동(전, 후진)하는 CLAMPING LEVER식 단동 STROKE의 증가에 따라서 비표준화된 금형(단, DIE PLATE의 높이는 제외)을 사용할 수 있습니다
- SLY-T TYPE은 CLAMPING위치의 조정이 ONE-TOUCH로 가능합니다.
- SLY-S TYPE은 SPACER의 교환으로 CLAMPING 위치의 조정을 용이하게 할 수 있습니다.
- AIR CYLINDER를 분리하여 CLAMP 만 단독으로 사용할 수 있습니다.
- 완전 자동방식의 CLAMP로서 SELECT S/W조작 외의 인력을 일체 필요로 하지 않습니다.
- Bolster및 Slinder면 모두 적용 가능합니다.
- PRESS 및 사출기등에 모두 적용 가능합니다.
출력 도시도표
